- Brisač - DA 113
V - brisač brtva konstruirana za rad pri manjim tlakovima kao sekundarna brisač brtva. Ovakav dizajn brisača je pogodan u uvijetima gdje nema velikih onečišćenja.
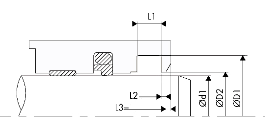
Uloga hidrauličnih brisača je spriječiti ulazak tvrdih čestica nečistoče u hidrauličnim i pneumatskim cilindrima.
Primarna upotreba
Krajnja granica upotrebe
Nije za upotrebu
| min. Temp. | max. Temp. | max. Speed | max. Pressure | Material | |
|---|---|---|---|---|---|
| -20 °C | +115 °C | 0,5 m/s | HPU 94° | ||
| -20 °C | +115 °C | 0,5 m/s | HPU 55° D | ||
| -50 °C | +115 °C | 0,5 m/s | SL-PU 94° | ||
| -50 °C | +115 °C | 0,5 m/s | LT-PU 94° | ||
| min. Temp. | max. Temp. | max. Speed | max. Pressure | Material | |
| -30 °C | +110 °C | 0,5 m/s | NBR 85° | ||
| -20 °C | +150 °C | 0,5 m/s | H-NBR 85° | ||
| -20 °C | +220 °C | 0,5 m/s | FPM 82° | ||
| -45 °C | +130 °C | 0,5 m/s | EPDM 85° | ||
| -60 °C | +200 °C | 0,4 m/s | MVQ 85° | ||
*Materijali
- HPU
- NBR
- H-NBR
- EPDM
- FPM
- MVQ
*Dimenzije
- L1
- L2
- L2
- ∅ d1
- ∅ D2
- ∅ D1
*Količina
- /



Nazad
ROTBAN - KATALOG HIDRAULIČNIH BRTAVA > preuzeti




