- Static seal - DFL 111
Permits larger tolerances both radial and axial. Avoid twist during assembly and under linear movement. Lower contact pressure and reservoir for lubrication result in lower friction.
Primary use
Seal limitation
Not applicable
| min. Temp. | max. Temp. | max. Speed | max. Pressure | Material | |
|---|---|---|---|---|---|
| -50 °C | +100 °C | / | / | / | HPU |
| -20 °C | +115 °C | / | / | / | HPU55° |
| -20 °C | +110 °C | / | / | / | SL-PU |
| -50 °C | +110 °C | / | / | / | LT-PU |
| min. Temp. | max. Temp. | max. Speed | max. Pressure | Material | |
| -30 °C | +110 °C | / | / | / | NBR |
| -20 °C | +220 °C | / | / | / | FPM |
| -20 °C | +150 °C | / | / | / | H-NBR |
| -45 °C | +130 °C | / | / | / | EPDM |
| -60 °C | +200 °C | / | / | / | MVQ |
*Materijali
- HPU
- NBR
- H-NBR)
- EPDM
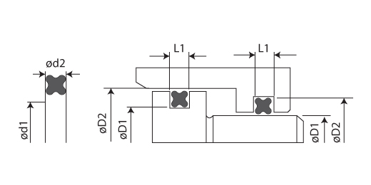
*Dimenzije
- L1
- ∅ d1
- ∅ d2
- ∅ D1
- ∅ D2
*Količina
- /



Nazad
ROTBAN - HYDRAULIC SEALS 




