• Static seal - DFL 106
hydraulic static seal

Well known, simple O-ring with proven reliability in multiple applications in every sector of industry. Excellent adaptation possibilities for diverse temperatures and media by selection of suitable seal material. Mainly used as static seal or as preloading element for composite-seals.

vodilica cilindra
  • Primary use
  • Seal limitation
  • Not applicable
min. Temp. max. Temp. max. Speed max. Pressure Material
-50 °C +100 °C / / / HPU
-20 °C +115 °C / / / HPU55°
-20 °C +110 °C / / / SL-PU
-50 °C +110 °C / / / LT-PU
min. Temp. max. Temp. max. Speed max. Pressure Material
-30 °C +110 °C / / / NBR
-20 °C +220 °C / / / FPM
-20 °C +150 °C / / / H-NBR
-45 °C +130 °C / / / EPDM
-60 °C +200 °C / / / MVQ
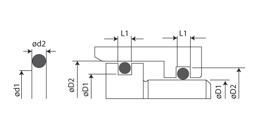
grove dimensions of the rod seals

*Materijali

  • HPU
  • NBR
  • H-NBR
  • EPDM

*Dimenzije

  •     L1
  • ∅ d1
  • ∅ d2
  • ∅ D1
  • ∅ D2

*Količina

  • /