- Guide ring - DF 108
With integrated collar on inside diameter, for piston application. Split and non split design available.
Primary use
Seal limitation
Not applicable
| min. Temp. | max. Temp. | max. Speed | max. Pressure | Material | |
|---|---|---|---|---|---|
| -50 °C | +100 °C | 4 m/s | / | / | POM |
| -200 °C | +260 °C | 5 m/s | / | / | PTFE |
| -50 °C | +115 °C | 4 m/s | / | / | PA |
| -60 °C | +250 °C | 4 m/s | / | / | PEEK |
| min. Temp. | max. Temp. | max. Speed | max. Pressure | Material | |
| -200 °C | +260 °C | 5 m/s | / | / | PTFE filled |
| -200 °C | +80 °C | 4 m/s | / | / | UHMW-PE |
| / | / | / | / | / | / |
| / | / | / | / | / | / |
| / | / | / | / | / | / |
*Materijali
- POM
- PA (Nylon)
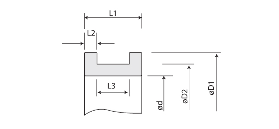
*Dimenzije
- L1
- L2
- L3
- ∅ d
- ∅ D1
- ∅ D2
*Količina
- /



Nazad
ROTBAN - HYDRAULIC SEALS 




